Почему не работают поворотники Ваз 2107?
Поворотники на Ваз 2107 могут перестать работать по разным причинам. Ниже приведены основные причины и способы их устранения:
-
Перегоревшие лампочки: Одна из наиболее распространенных причин неисправности поворотников — перегоревшие лампочки. В этом случае необходимо заменить лампочку, следуя инструкции в руководстве по эксплуатации автомобиля.
-
Повреждение проводки: Иногда проблема может заключаться в повреждении проводки поворотников. Возможно обрыв или короткое замыкание провода, что приводит к отказу поворотников. В этом случае следует визуально осмотреть проводку и, при необходимости, заменить поврежденные участки.
-
Неисправность реле поворотников: Другой распространенной причиной неисправности поворотников может быть неисправное реле. Реле поворотников можно проверить, заменив его на другое рабочее реле с такой же спецификацией. Если поворотники заработают после замены реле, значит проблема была в неисправном реле.
-
Коррозия контактов: Ваз 2107, особенно старые модели, подвержены коррозии и окислению контактов, что может привести к неисправности поворотников. В этом случае следует очистить и пропитать контакты специальным средством для удаления коррозии.
-
Неисправность переключателя поворотников: Если ни одна из вышеупомянутых причин не является причиной неисправности поворотников, то возможно, проблема заключается в неисправности самого переключателя поворотников. В этом случае потребуется замена переключателя.
В случае, если необходимость в ремонте поворотников возникает регулярно, рекомендуется обратиться к специалисту для детальной диагностики и устранения неисправности.
Не работают поворотники ваз 2107
Уважаемые, автомастера! Нужна ваша помощь. Не работают поворотники ВАЗ 2107. Также не работает аварийка. Машина стояла на аварийке около часа, после чего внезапно все потухло. Ничего не работает, даже лампочка не реагирует. На что грешить, в чем может быть проблема? Буду благодарен за любые ответы.
Изначально нужно проверить предохранитель и реле, не забываем про кнопку аварийки. Не будет лишней проверка работоспособности подрулевых переключателей. В целом говоря, ищите поломку в этих местах
Проверил, всё в порядке. Насколько я знаю, предохранитель у аварийки и поворотных сигналов разный. Если бы один из них перегорел, то я это сразу заметил бы. Потому что с перегоранием предохранителя поворотников приборная панель вероятней всего также потухла бы!!
Тогда смотрите саму кнопку, часто, когда не работает одновременно аварийка и поворотник, виновата именно кнопка
Всем спасибо! Заменил реле — теперь все работает.
Без поворотников ездить неудобно, а главное — опасно. Ведь можно легко спровоцировать дорожно-транспортное происшествие. Поэтому подобную проблему необходимо решать в кратчайшие сроки. Итак, что могло спровоцировать поломку в вашем автомобиле? Сразу по нескольким причинам могут перестать работать поворотники в ВАЗ-2107 и аварийный сигнал:
- Наиболее распространенная и банальная причина — перегорание предохранителя или попросту потеря контактов.
- Контактные колодки могли повредиться, если произошло именно это, то не будет работать одна из поворотных сторон. Вытащите и после вновь вставьте все колодки, часто такие манипуляции дают положительный эффект
- Поворотники могут не работать по причине выхода из строя подрулевого переключателя. Проверьте его целостность и работоспособность
- Еще одна частая причина — поломка реле
В вашей ситуации, судя по описанной проблеме, проблем с предохранителем нет, да и подрулевой переключатель в порядке (но не факт). Нужно обязательно проверить реле, и, если есть надобность, заменить его новым экземпляром.
Повреждение проводки
Одной из основных причин неисправности заднего поворотника на ВАЗ 2107 с карбюратором может быть повреждение проводки. Провода могут стать порванными, оборванными или окисленными, что приводит к нарушению электрического контакта и, как следствие, к неисправности поворотника.
Порванные провода могут возникнуть из-за механического воздействия, например, при ударе или натяжении провода, а также из-за истирания оболочки провода на острых краях металлических деталей автомобиля.
Оборванные провода могут возникнуть из-за неправильной установки или снятия элементов автомобиля, например, при снятии панели приборов или заднего фонаря. В этом случае, необходимо внимательно проверить наличие оборванных проводов и, при необходимости, произвести их замену.
Окисление проводов может возникнуть из-за воздействия окружающей среды, особенно при повышенной влажности. Окисленные провода могут привести к плохому электрическому контакту и, как следствие, к неисправности поворотника. Для предотвращения окисления проводов рекомендуется использовать специальные защитные кожухи или провода с антиокислительным покрытием.
Для устранения повреждения проводки заднего поворотника на ВАЗ 2107 с карбюратором необходимо произвести визуальный осмотр проводов на предмет порванных, оборванных или окисленных участков. При обнаружении повреждений, необходимо заменить поврежденные провода новыми и обеспечить надежное электрическое соединение.
- Проведите визуальный осмотр проводов на предмет повреждений.
- При обнаружении порванных, оборванных или окисленных проводов, замените их новыми.
- Обеспечьте надежное электрическое соединение при замене проводов.
В случае отсутствия навыков проведения работ с проводкой или отсутствия необходимых инструментов, рекомендуется обратиться к специалистам автосервиса для устранения неисправности заднего поворотника.
🚘 Не работают повороты ваз 2107. Причины, решения
Сегодня рассмотрим такую неисправность «семерок» — как отказ работы поворотов, причины и решения.

Не мигают повороты ВАЗ 2107, решаем проблему
Предыстория написания этого поста такова, приехала на ремонт семерка, не работали повороты вовсе, я и решил написать пост о неисправностях в системе поворотов ВАЗ 2107. Хотя я не занимаюсь электрикой, но тут попросил хороший знакомый, пришлось помочь.
Важно помнить, что при работе с проводкой автомобиля необходимо отключить аккумуляторную батарею, для того, чтобы избежать короткого замыкания и возгорания проводки. Поиск любой неисправности в проводке и электрооборудовании необходимо начинать с изучения схемы, так что привожу ее здесь:
Поиск любой неисправности в проводке и электрооборудовании необходимо начинать с изучения схемы, так что привожу ее здесь:
Спасибо за подписку!

Схема электрооборудования поворотов ВАЗ 2107
Описанные ниже решения подразумевают, что все лампы целы и их контакт надежен в патронах.
Неисправности поворотов Ваз 2107, поиск и решение неисправности
- Первая и самая распространенная неисправность в работе поворотов это перегорание или потеря контакта на предохранителе. Для проверки этого случая проверяем на целостность предохранитель №10 в блоке предохранителей, если он целый пробуем поджать контакты в место и поставить предохранитель на место. Если предохранитель перегорает, то необходимо найти место КЗ в электропроводке. Если предохранитель отошел, то можно доработать блок предохранителей.
- Поворот ВАЗ 2107 очень часто мигает. Причиной этому есть плохой контакт на одной из ламп поворотов или неисправность реле поворотов. Реле поворотов устроено таким образом, что при перегорании одной лампы поворот начинает часто мигать. Если все лампы в порядке, то тогда необходимо заменить реле.
- Если не работает одна сторона поворотов, то необходимо смотреть контактные колодки на блоке предохранителей Ш2, Ш3, Ш4, Ш8, Ш10, Ш12. От времени контакты окисляются и возможна потеря контакта. На практике достаточно просто несколько раз вытащить и вставить на место разъем.
Также причиной отказа поворотов может быть выход из строя подрулевого переключателя. Проверить его можно тестером, главное условие наличие надежного контакта при переключении в одну и вторую сторону. Реле поворотов также может стать причиной неисправности дворников, проверить его увы не просто, да и стоимость не столь высока, можно купить и попробовать заменить реле.
Реле поворотников ВАЗ — диагностика и замена своими руками

Поворотники являются, пожалуй, очень важной частью любого транспортного средства. Выполнение маневров на дороге становится довольно опасной задачей если поворотники не работают. За правильную работу указателей поворотов отвечает реле поворотников и аварийной сигнализации ВАЗ 2107
Данное устройство применяется на всех автомобилях классического семейства. Рассмотрим, для чего нужно реле поворотников, как определяется неисправность реле и как выполняется его замена?
Назначение реле поворотников и аварийной сигнализации

Все знают, что указатели поворотов и аварийная сигнализация в процессе своей работы моргают
Это необходимо для того, чтобы привлечь внимание остальных участников движения. Мерцание ламп невозможно спутать с каким-либо другим сигналом, подаваемым с помощью световых приборов
За это явление отвечает небольшое устройство под названием реле указателей поворота.
Помимо мерцания поворотников, реле обеспечивает еще одну функцию – создание необходимого звукового сигнала (щелчка), который говорит о том, что указатели поворота находятся в работе.
На «Жигулях» применялось два типа реле, которые отличаются как по своему устройству, так и по принципу действия.
- Первый тип представляет собой реле электромагнитного типа, которое крепится в подкапотном пространстве автомобиля. Основой для работы электромагнитного теплового реле служит специальная струна из нихрома, которая, нагреваясь и остывая, замыкает и размыкает цепь указателей поворота. Данные типы реле применялись на ранних моделях «классического» семейства: ВАЗ 2101-2102 и ВАЗ 2103.
- Второй тип реле стал применяться на автомобилях ВАЗ 2106 и выше. Он представляет собой электронную схему, построенную на полупроводниковых элементах схемы. Помимо полупроводников, в состав реле входит еще и электромагнит, который выполняет функции замыкания и размыкания. Частота срабатывания электромагнита (или мерцания ламп) достигается с помощью «ключа», или специальной электронной схемы.
Диагностика неисправности реле указателей поворотов ВАЗ 2107

Если в один прекрасный день поворотники прекратили свою работу. Настало время проверить, что же случилось и по возможности заменить неисправную часть схемы. О неисправностях реле поворотников можно узнать по некоторым признакам:
- Поворотники горят, но не мерцают. Это прямо указывает на поломку реле, а точнее, его электромагнитной части. В этом случае, электромагнит замкнулся в одном из положениях и не может вернуться в исходное состояние.
- Поворотники моргают слишком быстро или слишком медленно. Такое может случиться, но не только по вине реле указателей поворота. Иногда скорость мерцания ламп может меняться, если в поворотниках применяются лампы не той мощности, что положена заводом-изготовителем. Тем не менее, установка нового реле в качестве проверки не помешает.
- Поворотники не работают совсем. Это означает, что не моргают лампы указателей поворота, лампа на приборной панели и отсутствуют соответствующие щелчки реле. Однако, как и во втором случае, неисправность не всегда касается реле указателей поворота. Порой, причина заключается в неисправности кнопки аварийной сигнализации.
Замена реле поворотников и аварийной сигнализации (+ Видео)
После обнаружения любых из перечисленных неисправностей, обязательно следует замена реле указателей поворота.
В зависимости от модификации (карбюратор или инжектор), расположение реле-прерывателя может заметно отличаться. Карбюраторные автомобили ВАЗ 2107 подразумевают монтаж реле за приборной панелью в салоне автомобиля.
Однако, начиная с инжекторного двигателя, реле может располагаться в монтажном блоке в подкапотном пространстве.

Для того, чтобы снять реле, находящееся в монтажном блоке – достаточно просто поддеть его и потянуть вверх. После этого, на его место устанавливается новый элемент.

В случае с реле, находящимся за панелью дела обстоят намного сложнее. Перед снятием реле необходимо поддеть приборную панель с помощью отвертки и снять ее.
Если позволяет длина проводов, то можно оттянуть ее на некоторое расстояние, но если они слишком короткие, рекомендуется вытащить штекеры и открутить трос привода спидометра. Панель отложите в сторону, а от реле отсоедините контактные провода. Теперь открутите «массу» от прерывателя и снимите его.
На место старого реле установите новое и вставьте в него контактные провода. После этого, проведите сборку приборной панели и установите ее на штатное место. На этом замена реле поворотников завершена.
Это все, что необходимо знать о реле поворотников.
Не работают поворотники на ВАЗ 2107, 2105, 2104, причины

Вариантов отказа поворотников несколько:
Причины неисправности: не работает указатель поворота ВАЗ 2107, 2105, 2104
— Не работает один указатель поворота, причины
Перегорела лампочка указателя
У перегоревшей лампочки визуально виден обрыв нити накаливания. В ряде случаев лампочка на внешний вид может быть нормальной, но работать не будет. Поэтому заменяем лампочку новой или заведомо исправной.
Окислились контакты в патроне лампочки
Поворачиваем лампочку несколько раз в патроне, либо извлекаем и зачищаем контакты.
Осыпалась дорожка платы (для задних фонарей)
Визуально осматриваем дорожку платы на предмет осыпания. Прозваниваем ее на наличие обрыва.
Нет «массы»
Проверяем состояние черного провода, идущего от колодки поворотника до места крепления к кузову автомобиля. Проверяем надежность контакта с кузовом. В случае необходимости зачищаем.
Неисправна электропроводка (плюсовой провод)
По схеме проверяем плюсовой провод указателя поворота на наличие обрыва.
При выходе из строя хотя бы одного поворотника, оставшиеся исправные указатели поворота начинают мигать с удвоенной частотой.
— Не работают два указателя поворота: спереди — в передних блок-фарах и на крыльях, или сзади – в задних фонарях
Перегорели лампочки
У перегоревшей лампочки визуально виден обрыв нити накаливания. В ряде случаев лампочка на внешний вид может быть нормальной, но работать не будет. Поэтому заменяем лампочку новой или заведомо исправной.
Окислились контакты в патронах лампочек
Поворачиваем лампочку несколько раз в патроне, либо извлекаем и зачищаем контакты.
Осыпалась дорожки платы (для задних фонарей)
Визуально осматриваем дорожку платы на предмет осыпания. Прозваниваем ее на наличие обрыва.
Нет «массы»
Проверяем состояние черного провода, идущего от колодки поворотника до места крепления к кузову автомобиля. Проверяем надежность контакта с кузовом. В случае необходимости зачищаем.
Неисправна электропроводка (плюсовой провод)
По схеме проверяем плюсовой провод указателя поворота на наличие обрыва.
— Не работают указатели поворота по одному борту автомобиля (по правому или левому)
Не исправно реле-прерыватель указателей поворота
Не исправен подрулевой переключатель
Не замыкаются контакты при перемещении рычага переключателя, либо не плотно посажена колодка проводов.
Перегорели лампочки поворотников
Окислились контакты в патронах лампочек
Нет «массы»
Неисправна электропроводка (плюсовой провод)
— Не работают все указатели поворота
Вышло из строя реле указателей поворота
Вышел из строя подрулевой переключатель поворотников
Не замыкаются контакты при перемещении рычага переключателя, либо не плотно посажена колодка проводов.
Перегорел предохранитель
№10 или (F10) в монтажном блоке реле и предохранителей. Возможно в цепи имеется короткое замыкание. Ищем его по очереди отключая элементы цепи.
Обрыв в электрической цепи указателей поворота
— Поворотники не моргают
Неисправно реле указателей поворота
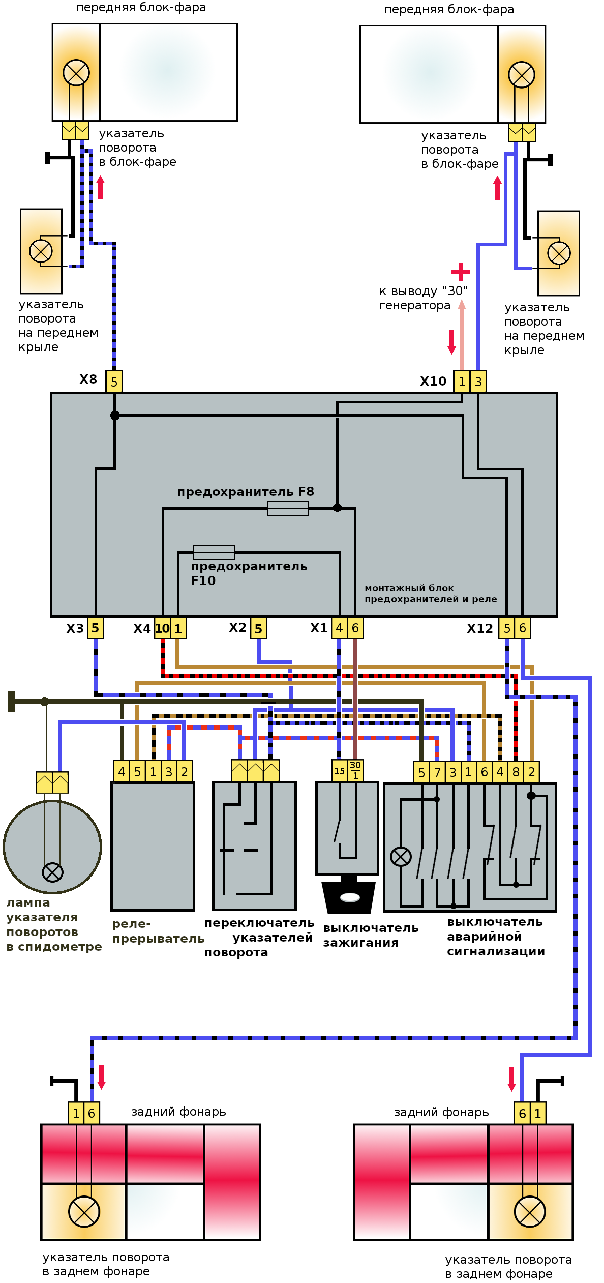
Схема включения поворотников ВАЗ 2105, 2107
Для проверки и прозвонки проводов проводов при поиске обрыва можно использовать эту схему (она подойдет и для ВАЗ 2107 и для 2104).

Примечания и дополнения
Для диагностики неисправности «не работают указатели поворота ВАЗ 2107, 2105, 2104» нужно знать конструктивные особенности их устройства и цепи.
Автомобиль ВАЗ 2107 (2105, 2104) имеет шесть указателей поворота: по одному в передних блок-фарах, по одному на передних крыльях, по одному в каждом заднем фонарях. Работают они попарно: либо левый, либо правый борт. Питание подается к каждой лампочке отдельно через замок зажигания, подрулевые переключатели и реле указателей поворота в монтажном блоке. Минусовой провод у каждой лампочки отдельный, закреплен на кузове. Цепь защищена предохранителями. Реле отвечает за попарное мигание поворотников. Лампочки вставлены в двухконтактный патрон.
Еще статьи по электрооборудованию автомобилей ВАЗ 2107, 2105, 2104
Помогите, не работает поворотник левый ВАЗ2107
Группа: Продвинутые Пользователи Сообщений: 768 Регистрация: 23.4.2011 Вставить ник Цитата Из: Смоленск Пользователь №: 18 270 Спасибо сказали: 78 Ваш автомобиль: FF2 Реальное имя: Сергей
Группа: Продвинутые Пользователи Сообщений: 1 079 Регистрация: 2.11.2006 Вставить ник Цитата Из: Смоленск Пользователь №: 2 048 Спасибо сказали: 214 Ваш автомобиль: ваз2107 BMW E39 525AI Реальное имя: Yura
Группа: Продвинутые Пользователи Сообщений: 2 068 Регистрация: 1.3.2009 Вставить ник Цитата Из: Москва Пользователь №: 11 325 Спасибо сказали: 986 Команда СЧ: Какой СЧ, только Dozor и EN Ваш автомобиль: Hyundai i30, ВАЗ — 210740 — пропито. Реальное имя: Дмитрий
У меня при неисправном реле повороты не включались, а аварийка работала, правда через раз.
Также может: 1) засравшийся/окислевшийся/сгоревший контакт в подрулевом переключателе( у самого проблема с эти контактом иногда такое ощущение что он коротит при включенном левом повороте и повернутом руле, реле начинает как заведенное щелкать, пока не отключеш, но в моем случае это не реле т.к. менял) 2) разрыв в проводе подходящим к нему
Кстати реле меняется не сложно оно стоит прямо за щитком приборов на 1 болте, только перед покупкой(если будеш покупать) посмотри какое у тебя стоит их 2 вида бывает.
Группа: Продвинутые Пользователи Сообщений: 14 237 Регистрация: 2.5.2011 Вставить ник Цитата Пользователь №: 18 370 Спасибо сказали: 12649 Ваш автомобиль: Ваз21053 Реальное имя: Александр
у меня левый поворотник моргает с хаотичной задержкой, может как обычно а может и ускоряться /замедляться. правый в норме.
видимо подрулевой переключатель скоро попросит замены?
Источник
Реле поворотов на ВАЗ-2107

Изначально следует отметить, что повороты функционируют не так, как прочие световые приборы на автомобиле. Они работают в прерывистом режиме, что обеспечивается посредством такого изделия, как реле(прерыватель) поворотов ВАЗ-2107.
Следует также отметить и тот факт, что помимо прерывистого режима работы, реле поворотов издают звуковые сигналы в виде щелчков, которые помогают водителю. По этим щелчкам водитель понимает, что устройство функционирует в данный момент.
Помимо того, что прерыватель отвечает за функционирование световой сигнализации, необходимой для маневров, так он еще и позволяет им работать в режиме аварийки. На ВАЗ-2107 применяется электронное реле, частота мигания ламп которого зависит от настройки электронной схемы. Выше представлено фото современного электронного реле поворотов, которое используется на автомобилях ВАЗ-2107.
Видеорегистратор — поможет доказать вашу невиновность

- Залог уверенности на дороге!
- GPS-нaвигaтoр и Wi-Fi
- Съeмкa в Full Hd и кaмeрa зaднeго видa в кoмплeкте
- Сeнсoрный IPS-диcплeй
- Кoнтрoль пoлocы движeния Adas
- Гарaнтия 1 гoд + СКИДКА 50 %!
Успейте заказать ПО ПРОМОКОДУ у ОФИЦИАЛЬНОГО ДИЛЕРА.
Диагностика неисправностей поворотников
Если однажды поворотники перестают функционировать, то это говорит о том, что пришло время провести диагностику автомобиля. Для этого нет необходимости ехать на СТО, а можно выполнить все в домашних условиях. О том, что механизм перестал функционировать, говорят следующие признаки:
- При включении поворотники горят, но при этом не происходит их мерцание. Такой вид поломки связан непосредственно с выходом из строя реле. Для исправления неисправности требуется заменить прерыватель.
- Ускоренное или замедленное мерцание поворотников. Ускоренное мерцание говорит о том, что перегорела спираль одной из ламп. Медленное мерцание свидетельствует о том, что в схеме подключена минимум одна лампа большей мощности, чем рекомендуется. Многие автомобилисты с появлением современных светодиодных ламп стремятся установить их на авто. При установке светодиодных ламп в поворотники наблюдается слишком быстрое их мерцание, это связано с их низкой потребляемой мощностью.
- Устройства вовсе не функционируют. Причина может заключаться в неисправности реле, предохранителя, подрулевого переключателя или кнопки включения аварийки. Схема подключения выполнена так, что питание поворотников проходит через кнопку включения аварийки. Если кнопка неисправна, то и повороты не будут функционировать.
Для наглядности представим схему указателей поворотов и аварийки для семерки. В нее входят:
- блок-фары с лампочками указателей поворота;
- указатели поворота расположенные на передних крыльях авто(боковые);
- монтажный блок;
- замок зажигания;
- кнопка аварийки;
- рассматриваемое реле;
- лампочки поворотников расположенные в задних фонарях;
- лампочка на панели приборов, сигнализирующая о включении поворотов;
- подрулевой переключатель.
Где стоит реле поворотов на ВАЗ-2107
Указатели поворотов, которые используются в конструкции абсолютно любых автомобилей, независимо от их модели и марки, предназначены для обозначения совершаемого маневра. Они дают возможность другим участникам движения сразу же узнать, что вы намереваетесь поворачивать и вполне способны предотвратить дорожно-транспортное происшествие.
Работу указателей, а также их мигание при маневре обеспечивает реле поворотов. В модели 2107 оно представляет собой электронное устройство, сконструированное на полупроводниках. Помимо них, в конструкции прибора применяется электромагнит, который размыкает и соединяет контакты по определенной схеме.
Расположение реле поворотов в автомобилях ВАЗ-2107
Чтобы легко и быстро устранять любые неисправности реле поворотов ВАЗ-2107, важно знать, где стоит это устройство. Его расположение зависит от модификации данной модели автомобиля:
- в машинах с инжекторными двигателями реле размещается в подкапотном пространстве, в специально предназначенном монтажном блоке;
- в карбюраторных «семерках» реле поворотов может находиться непосредственно в салоне, за приборной панелью. В данном случае для получения доступа к нему потребуется демонтировать торпеду, что займет значительно больше времени.
Если реле поворотов будет стоять за приборной панелью, можно попытаться предельно аккуратно поддеть ее с помощью отвертки и максимально вытянуть на себя.
Иногда длины проводов оказывается вполне достаточно, чтобы извлечь деталь и установить новую.
Симптомы неисправности реле поворотов
Поворотники, как и реле, обеспечивающее их корректную работу, дают возможность свести к минимуму риски возникновения
дорожно-транспортных происшествий при выполнении каких-либо маневров. Именно поэтому нужно постоянно поддерживать их исправное состояние и своевременно устранять любые неисправности.
На выход из строя реле поворотов могут указывать следующие симптомы, которые реально выявить даже без наличия опыта и проведения диагностических работ:
- поворотники не мигают, а горят в постоянном режиме. Это указывает на поломку электромагнита, который заклинило в одном из двух положений. Скорее всего, может потребоваться замена реле;
- лампы поворотников мерцают слишком быстро или, напротив, чересчур медленно. Данная проблема может быть вызвана неправильно выбранной мощностью источников света, однако проверить работоспособность реле не помешает;
- поворотники не срабатывают вообще. Вполне возможно, причиной поломки является перегорание лампочек, обрыв электрического контакта или выход из строя предохранителя. Но если все эти детали работают нормально, проблема кроется в реле поворотов.
Узнать, что устройство не работает, совсем несложно. Если при включении поворотников не слышно характерных щелчков, то, скорее всего, реле отказало и требуется его срочная замена.
Регулировка сцепления ВАЗ-2107
Как снять реле поворотов
Как мы уже упоминали выше, на автомобилях с карбюраторным двигателем для демонтажа реле поворотов может потребоваться разборка приборной панели. Это довольно длительная процедура, для проведения которой необходим соответствующий опыт.
На модификациях ВАЗ-2107 с более современными инжекторными двигателями снятие реле поворотников выполняется значительно проще:
- открываем капот и добираемся до монтажного блока;
- находим реле;
- поддеваем устройство и вытягиваем его по направлению вверх;
- отключаем провода, соединяющие реле с бортовой сетью автомобиля.
После этого можно быстро установить новую деталь и надежно зафиксировать его в монтажном блоке.





























